Product Summary
The QM300HA-2H is a high power switching use insulated type transistor module. Applications include Inverters, Servo drives, DC motor controllers, NC equipment and Welders.
Parametrics
QM300HA-2H absolute maximum ratings: (1)Collector-base voltage: 1000V; (2)Emitter-base voltage: 7V; (3)Collector current: 300A; (4)Collector reverse current: 300A; (5)Collector dissipation: 1980W; (6)Base current: 16A; (7)Surge collector reverse current (forward diode current): 3000A; (8)Junction temperature: -40 to +150℃; (9)Storage temperature: -40 to +125℃; (10)Isolation voltage: 2500V.
Features
QM300HA-2H features: (1)IC Collector current: 300A; (2)VCEX Collector-emitter voltage: 1000V; (3)hFE DC current gain: 75; (4)Insulated Type; (5)UL Recognized.
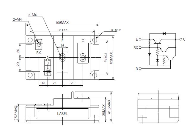
Diagrams

| Image | Part No | Mfg | Description | ![]() |
Pricing (USD) |
Quantity | ||||
|---|---|---|---|---|---|---|---|---|---|---|
![]() |
![]() QM300HA-2H |
![]() Other |
![]() |
![]() Data Sheet |
![]() Negotiable |
|
||||
![]() |
![]() QM300HA-2HB |
![]() Other |
![]() |
![]() Data Sheet |
![]() Negotiable |
|
||||
(China (Mainland))









