Product Summary
The QM150HY-H is a high power switching use insulated type module. The applications of the QM150HY-H include Inverters, Servo drives, DC motor controllers, NC equipment, Welders.
Parametrics
QM150HY-H absolute maximum ratings: (1)Collector-emitter voltage, VCES(SUS): 1000V; (2)Collector-emitter voltage, VCES: 1000V; (3)Collector-base voltage, VCBO: 1000V; (4)Emitter-base voltage, VEBO: 7V; (5)Collector current, IC: 150A; (6)Collector reverse current, -IC: 150A; (7)Collector dissipation, pc: 1000W; (8)Base current, IB: 8A; (9)Surge collector reverse current(forward diode current), ICSM: 1500A; (10)Junction temperature, Tj: -40 to 150℃; (11)Storage temperature, Tstg: -40 to 125℃; (12)Isolation voltage, Viso: 2500V.
Features
QM150HY-H features: (1)IC Collector current: 150A; (2)VCEX Collector-emitter voltage: 1000V; (3)hFE DC current gain: 75; (4)Insulated Type; (5)UL Recognized, Yellow Card No. E80276 (N), File No. E80271.
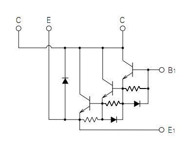
Diagrams

| Image | Part No | Mfg | Description | ![]() |
Pricing (USD) |
Quantity | ||||
|---|---|---|---|---|---|---|---|---|---|---|
![]() |
![]() QM150HY-H |
![]() Other |
![]() |
![]() Data Sheet |
![]() Negotiable |
|
||||
| Image | Part No | Mfg | Description | ![]() |
Pricing (USD) |
Quantity | ||||
![]() |
![]() QM150CY-H |
![]() Other |
![]() |
![]() Data Sheet |
![]() Negotiable |
|
||||
![]() |
![]() QM150DY-24BK |
![]() Other |
![]() |
![]() Data Sheet |
![]() Negotiable |
|
||||
![]() |
![]() QM150DY-24K |
![]() Other |
![]() |
![]() Data Sheet |
![]() Negotiable |
|
||||
![]() |
![]() QM150DY-2H |
![]() Other |
![]() |
![]() Data Sheet |
![]() Negotiable |
|
||||
![]() |
![]() QM150DY-2HBK |
![]() Other |
![]() |
![]() Data Sheet |
![]() Negotiable |
|
||||
![]() |
![]() QM150DY-2HK |
![]() Other |
![]() |
![]() Data Sheet |
![]() Negotiable |
|
||||
(China (Mainland))









