Product Summary
The QM100HY-2H is a Mitsubishi transistor module. The applications of the QM100HY-2H are: Inverters, Servo drives, DC motor controllers, NC equipment, Welders.
Parametrics
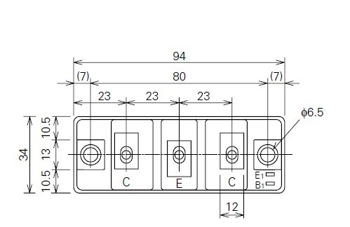
QM100HY-2H absolute maximum ratings: (1)VCEX (SUS) Collector-emitter voltage IC=1A, VEB=2V: 1000V; (2)VCEX Collector-emitter voltage VEB=2V: 1000V; (3)VCBO Collector-base voltage: 1000V; (4)VEBO Emitter-base voltage: 7V; (5)IC Collector current: 100A; (6)–IC Collector reverse current: DC(forward diode current): 100A; (7)PC Collector dissipation TC=25℃: 800W; (8)IB Base current DC: 5A; (9)–ICSM Surge collector reverse current(forward diode current): 1000A; (10)Tj Junction temperature: –40~+150 ℃; (11)Tstg Storage temperature: –40~+125 ℃; (12)Viso Isolation voltage: 2500V.
Features
QM100HY-2H features: (1)IC Collector current: 100A; (2)VCEX Collector-emitter voltage: 1000V; (3)hFE DC current gain: 75; (4)Insulated Type; (5)UL Recognized.
Diagrams

| Image | Part No | Mfg | Description | ![]() |
Pricing (USD) |
Quantity | ||||
|---|---|---|---|---|---|---|---|---|---|---|
![]() |
![]() QM100HY-2H |
![]() Other |
![]() |
![]() Data Sheet |
![]() Negotiable |
|
||||
| Image | Part No | Mfg | Description | ![]() |
Pricing (USD) |
Quantity | ||||
![]() |
![]() QM1000HA-24B |
![]() Other |
![]() |
![]() Data Sheet |
![]() Negotiable |
|
||||
![]() |
![]() QM1000HA-2HB |
![]() Other |
![]() |
![]() Data Sheet |
![]() Negotiable |
|
||||
![]() |
![]() QM100CY-H |
![]() Other |
![]() |
![]() Data Sheet |
![]() Negotiable |
|
||||
![]() |
![]() QM100DY-24BK |
![]() Other |
![]() |
![]() Data Sheet |
![]() Negotiable |
|
||||
![]() |
![]() QM100DY-24K |
![]() Other |
![]() |
![]() Data Sheet |
![]() Negotiable |
|
||||
![]() |
![]() QM100DY-2HBK |
![]() Other |
![]() |
![]() Data Sheet |
![]() Negotiable |
|
||||
(China (Mainland))









