Product Summary
The PWB100A40 is a Thyristor module suitable for low voltage, 3 phase recifier applications. The applications of the PWB100A40 include Welding power Supply, Various DC power Supply.
Parametrics
PWB100A40 absolute maximum ratings: (1)VRRM, Repetitive Peak Reverse Voltage: 400 V; (2)VRSM, Non-Repetitive Peak Reverse Voltage: 480 V; (3)VDRM, Repetitive Peak Off-State Voltage: 400 V.
Features
PWB100A40 features: (1)IT(AV)100A (each device); (2)High Surge Current 3500 A (60Hz); (3)Easy Construction; (4)Non-isolated. Mounting base as common Anode terminal.
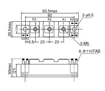
Diagrams

| Image | Part No | Mfg | Description | ![]() |
Pricing (USD) |
Quantity | ||||
|---|---|---|---|---|---|---|---|---|---|---|
![]() |
![]() PWB100A40 |
![]() Other |
![]() |
![]() Data Sheet |
![]() Negotiable |
|
||||
| Image | Part No | Mfg | Description | ![]() |
Pricing (USD) |
Quantity | ||||
![]() |
![]() PWB100A |
![]() Other |
![]() |
![]() Data Sheet |
![]() Negotiable |
|
||||
![]() |
![]() PWB100A30 |
![]() Other |
![]() |
![]() Data Sheet |
![]() Negotiable |
|
||||
![]() |
![]() PWB100A40 |
![]() Other |
![]() |
![]() Data Sheet |
![]() Negotiable |
|
||||
![]() |
![]() PWB130A |
![]() Other |
![]() |
![]() Data Sheet |
![]() Negotiable |
|
||||
![]() |
![]() PWB130A30 |
![]() Other |
![]() |
![]() Data Sheet |
![]() Negotiable |
|
||||
(China (Mainland))









