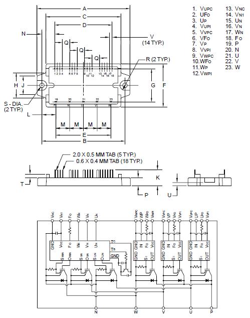
Product Summary
The PM400HSA120 is an isolated base module designed for power switching applications operating at frequencies to 20kHz. Built-in control circuits provide optimum gate drive and protection for the IGBT and free-wheel diode power devices. Applications of the PM400HSA120 include Inverters, UPS, Motion/Servo Control and Power Supplies.
Parametrics
PM400HSA120 absolute maximum ratings: (1)Power Device Junction Temperature: -20 to 150℃; (2)Storage Temperature: -40 to 125℃; (3)Case Operating Temperature: -20 to 100℃; (4)Module Weight (Typical): 60 Grams; (5)Supply Voltage Protected by OC and SC (VD = 13.5 - 16.5V, Inverter Part): 400 Volts; (6)Isolation Voltage (Main Terminal to Baseplate, AC 1 min.): 2500 Vrms.
Features
PM400HSA120 absolute maximum ratings: (1)Power Device Junction Temperature: -20 to 150℃; (2)Storage Temperature: -40 to 125℃; (3)Case Operating Temperature: -20 to 100℃; (4)Module Weight (Typical): 60 Grams; (5)Supply Voltage Protected by OC and SC (VD = 13.5 - 16.5V, Inverter Part): 400 Volts; (6)Isolation Voltage (Main Terminal to Baseplate, AC 1 min.): 2500 Vrms.
Diagrams

| Image | Part No | Mfg | Description | ![]() |
Pricing (USD) |
Quantity | ||||||||||||
|---|---|---|---|---|---|---|---|---|---|---|---|---|---|---|---|---|---|---|
![]() |
![]() PM400HSA120 |
![]() |
![]() MOD IPM SGL 1200V 400A |
![]() Data Sheet |
![]()
|
|
||||||||||||
| Image | Part No | Mfg | Description | ![]() |
Pricing (USD) |
Quantity | ||||||||||||
![]() |
![]() PM400DSA060 |
![]() |
![]() MOD IPM DUAL 600V 400A |
![]() Data Sheet |
![]() Negotiable |
|
||||||||||||
![]() |
![]() PM400DVA060 |
![]() |
![]() MOD IPM V-SER DUAL 600V 400A |
![]() Data Sheet |
![]() Negotiable |
|
||||||||||||
![]() |
![]() PM400HSA120 |
![]() |
![]() MOD IPM SGL 1200V 400A |
![]() Data Sheet |
![]()
|
|
||||||||||||
![]() |
![]() PM40-100K |
![]() J.W. Miller |
![]() RF Inductors 10uH 10% |
![]() Data Sheet |
![]() Negotiable |
|
||||||||||||
![]() |
![]() PM40-100K-RC |
![]() J.W. Miller |
![]() Power Inductors 10uH 10% |
![]() Data Sheet |
![]()
|
|
||||||||||||
![]() |
![]() PM40-101K |
![]() J.W. Miller |
![]() RF Inductors 100UH 4.5X3.2X3.2 |
![]() Data Sheet |
![]() Negotiable |
|
||||||||||||
(China (Mainland))









