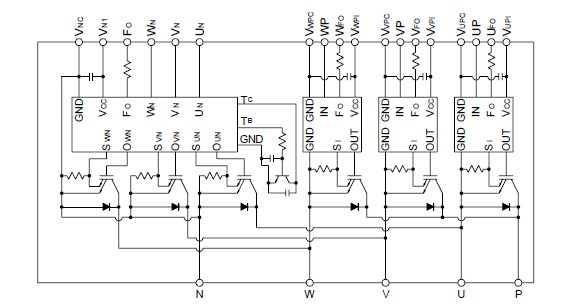
Product Summary
The PM30RSF060 is a Mitsubishi Intelligent Power Module. The PM30RSF060 is isolated base modules designed for power switching applications operating at frequencies to 20kHz. Built-in control circuits provide optimum gate drive and protection for the IGBT and free-wheel diode power devices.
Parametrics
PM30RSF060 absolute maximum ratings: (1)Power Device Junction Temperature Tj: -20 to 150 ℃; (2)Storage Temperature Tstg: -40 to 125 ℃; (3)Case Operating Temperature TC: -20 to 100 ℃; (4)Mounting Torque, M4 Mounting Screws: 1.47 ~ 1.96 N · m; (5)Module Weight (Typical): 80 Grams; (6)Supply Voltage Protected by OC and SC (VD = 13.5 - 16.5V, Inverter Part)VCC(prot.): 400 Volts; (7)Isolation Voltage (Main Terminal to Baseplate, AC 1 min.)Viso: 2500 Vrms.
Features
PM30RSF060 features: (1)Complete Output Power Circuit; (2)Gate Drive Circuit; (3)Protection Logic Short Circuit, Over Current, Over Temperature, Under Voltage.
Diagrams

| Image | Part No | Mfg | Description | ![]() |
Pricing (USD) |
Quantity | ||||||
|---|---|---|---|---|---|---|---|---|---|---|---|---|
![]() |
![]() PM30RSF060 |
![]() |
![]() MOD IPM 7PAC 600V 30A |
![]() Data Sheet |
![]() Negotiable |
|
||||||
| Image | Part No | Mfg | Description | ![]() |
Pricing (USD) |
Quantity | ||||||
![]() |
![]() PM300 |
![]() Other |
![]() |
![]() Data Sheet |
![]() Negotiable |
|
||||||
![]() |
![]() PM300CBS060 |
![]() Other |
![]() |
![]() Data Sheet |
![]() Negotiable |
|
||||||
![]() |
![]() PM300CE |
![]() Other |
![]() |
![]() Data Sheet |
![]() Negotiable |
|
||||||
![]() |
![]() PM300CL1A060 |
![]() Other |
![]() |
![]() Data Sheet |
![]() Negotiable |
|
||||||
![]() |
![]() PM300CLA060 |
![]() |
![]() MOD IPM L-SER 6PAC 600V 300A |
![]() Data Sheet |
![]()
|
|
||||||
![]() |
![]() PM300CLA120 |
![]() |
![]() MOD IPM L-SER 6PAC 1200V 300A |
![]() Data Sheet |
![]()
|
|
||||||
(China (Mainland))









