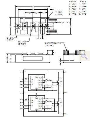
Product Summary
The PM150DSA120 is a Mitsubishi Intelligent Power Module. The PM150DSA120 is isolated base modules designed for power switching applications operating at frequencies to 20kHz. Built-in control circuits of the PM150DSA120 provide optimum gate drive and protection for the IGBT and free wheel diode power devices. The applications of the PM150DSA120 include Inverters, UPS, Motion/Servo Control, Power Supplies.
Parametrics
PM150DSA120 absolute maximum ratings: (1)Power Device Junction Temperature, Tj: -20 to 150 ℃; (2)Storage Temperature, Tstg: -40 to 125 ℃; (3)Case Operating Temperature, TC: -20 to 100 ℃; (4)Mounting Torque, M5 Mounting Screws: 2.5 to 3.5 Nm; (5)Mounting Torque, M5 Main Terminal Screws: 2.5 to 3.5 Nm; (6)Module Weight (Typical): 430 Grams; (7)Supply Voltage Protected by OC and SC, VCC(prot.): 800 Volts; (8)Isolation Voltage, Viso: 2500 Vrms.
Features
PM150DSA120 features: (1)Complete Output Power Circuit; (2)Gate Drive Circuit; (3)Protection Logic.
Diagrams

| Image | Part No | Mfg | Description | ![]() |
Pricing (USD) |
Quantity | ||||||
|---|---|---|---|---|---|---|---|---|---|---|---|---|
![]() |
![]() PM150DSA120 |
![]() |
![]() MOD IPM DUAL 1200V 150A |
![]() Data Sheet |
![]() Negotiable |
|
||||||
| Image | Part No | Mfg | Description | ![]() |
Pricing (USD) |
Quantity | ||||||
![]() |
![]() PM150CBS060 |
![]() Other |
![]() |
![]() Data Sheet |
![]() Negotiable |
|
||||||
![]() |
![]() PM150CL1A060 |
![]() Other |
![]() |
![]() Data Sheet |
![]() Negotiable |
|
||||||
![]() |
![]() PM150CL1A120 |
![]() Other |
![]() |
![]() Data Sheet |
![]() Negotiable |
|
||||||
![]() |
![]() PM150CL1B060 |
![]() Other |
![]() |
![]() Data Sheet |
![]() Negotiable |
|
||||||
![]() |
![]() PM150CLA060 |
![]() |
![]() MOD IPM L-SER 6PAC 600V 150A |
![]() Data Sheet |
![]()
|
|
||||||
![]() |
![]() PM150CLA120 |
![]() |
![]() MOD IPM L-SER 6PAC 1200V 150A |
![]() Data Sheet |
![]()
|
|
||||||
(China (Mainland))









