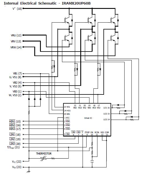
Product Summary
The IRAMX20UP60A is a 20A, 600V Integrated Power Hybrid IC for Appliance Motor Drives applications such air conditioning systems and compressor drivers as well as in light industrial application. The technology of IRAMX20UP60A offers an extremely compact, high performance AC motor-driver in a single isolated package to simplify design. This advanced HIC is a combination of low VCE(on) Punch-Through IGBT technology and the industry benchmark 3 phase high voltage, high speed driver in a fully isolated thermally enhanced package. A built-in temperature monitor and input logic protection function, along with the short-circuit rated IGBTs and integrated under-voltage lockout function of IRAMX20UP60A, deliver high level of protection and fail-safe operation. Using a Single in line package (SiP2) with heatspreader for the power die along with full transfer mold structure minimizes PCB space and resolves isolation problems to heatsink.
Parametrics
IRAMX20UP60A absolute maximum ratings: (1)IGBT/Diode Blocking Voltage: 600 V; (2)Positive Bus Input Voltage 450 V; (3)IO @ TC=25℃, RMS Phase Current: 20; (4)IO @ TC=100℃, RMS Phase Current: 10; (5)IO Pulsed RMS Phase Current: 30; (6)PWM Carrier Frequency: 20 kHz; (7)Power dissipation per IGBT @ TC =25℃: 38 W; (8)Isolation Voltage (1min): 2000 VRMS; (9)Operating Junction temperature Range: -40 to +150 ℃; (10)Operating Junction temperature Range: -40 to +150 ℃; (11)Mounting torque Range (M3 screw): 0.5 to 0.6 Nm.
Features
IRAMX20UP60A features: (1)Integrated Gate Drivers; (2)Temperature Monitor; (3)Overcurrent shutdown; (4)Fully Isolated Package; (5)Low VCE (on) Non Punch Through IGBT Technology; (6)Undervoltage lockout for all channels; (7)Matched propagation delay for all channels; (8)5V Schmitt-triggered input logic; (9)Cross-conduction prevention logic; (10)Lower di/dt gate driver for better noise immunity; (11)Motor Power range 0.75~1.5kW / 85~253 Vac; (12)Isolation 2000VRMS min.
Diagrams

| Image | Part No | Mfg | Description | ![]() |
Pricing (USD) |
Quantity | ||||||||||||
|---|---|---|---|---|---|---|---|---|---|---|---|---|---|---|---|---|---|---|
![]() |
![]() IRAMX20UP60A |
![]() International Rectifier |
![]() Motor / Motion / Ignition Controllers & Drivers |
![]() Data Sheet |
![]()
|
|
||||||||||||
![]() |
![]() IRAMX20UP60A-2 |
![]() International Rectifier |
![]() Motor / Motion / Ignition Controllers & Drivers |
![]() Data Sheet |
![]()
|
|
||||||||||||
(China (Mainland))









