Product Summary
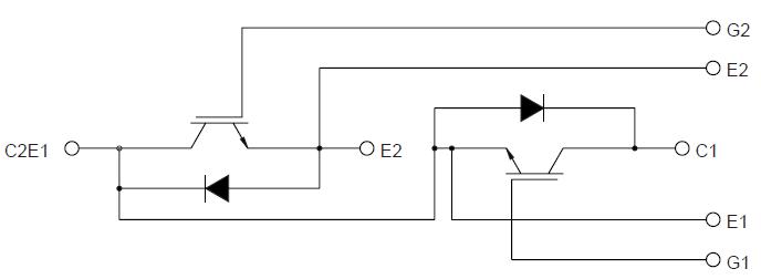
The CM200DY-24H is an IGBT Module. The device is designed for use in switching applications. The CM200DY-24H consists of two IGBTs in a half-bridge configuration with each transistor having a reverse-connected super-fast recovery free-wheel diode. All components and interconnects are isolated from the heat sinking baseplate, offering simplified system assembly and thermal management. The applications of the CM200DY-24H include AC Motor Control, Motion/Servo Control, UPS and Welding Power Supplies.
Parametrics
CM200DY-24H absolute maximum ratings: (1)Junction Temperature, Tj: -40 to 150℃; (2)Storage Temperature, Tstg: -40 to 125℃; (3)Collector-Emitter Voltage (G-E SHORT), VCES: 1200 Volts; (4)Gate-Emitter Voltage (C-E SHORT), VGES: ±20 Volts; (5)Collector Current (TC = 25℃), IC: 200 Amperes; (6)Peak Collector Current, ICM: 400 Amperes; (7)Emitter Current (TC = 25℃), IE: 200 Amperes; (8)Peak Emitter Current, IEM: 400 Amperes; (9)Maximum Collector Dissipation (TC = 25℃, Tj ≤ 150℃), Pc: 1500Watts; (10)Mounting Torque, M6 Main Terminal: -1.96 to 2.94 Nm; (11)Mounting Torque, M6 Mounting: -1.96 to 2.94 Nm; (12)Weight: -400 Grams; (13)Isolation Voltage (Main Terminal to Baseplate, AC 1 min.), Viso: 2500 Vrms.
Features
CM200DY-24H features: (1)Low Drive Power; (2)Low VCE(sat); (3)Discrete Super-Fast Recovery Free-Wheel Diode; (4)High Frequency Operation; (5)Isolated Baseplate for Easy Heat Sinking.
Diagrams

| Image | Part No | Mfg | Description | ![]() |
Pricing (USD) |
Quantity | ||||||||||||
|---|---|---|---|---|---|---|---|---|---|---|---|---|---|---|---|---|---|---|
![]() |
![]() CM200DY-24H |
![]() |
![]() IGBT MOD DUAL 1200V 200A H SER |
![]() Data Sheet |
![]() Negotiable |
|
||||||||||||
| Image | Part No | Mfg | Description | ![]() |
Pricing (USD) |
Quantity | ||||||||||||
![]() |
![]() CM2006 |
![]() Other |
![]() |
![]() Data Sheet |
![]() Negotiable |
|
||||||||||||
![]() |
![]() CM2006-02QR |
![]() ON Semiconductor |
![]() Video ICs VGA Port Monitor |
![]() Data Sheet |
![]()
|
|
||||||||||||
![]() |
![]() CM2009 |
![]() Other |
![]() |
![]() Data Sheet |
![]() Negotiable |
|
||||||||||||
![]() |
![]() CM2009-00QR |
![]() ON Semiconductor |
![]() Video ICs VGA Port Circuit 55 Ohm |
![]() Data Sheet |
![]()
|
|
||||||||||||
![]() |
![]() CM2009-02QR |
![]() ON Semiconductor |
![]() Video ICs VGA Port Circuit 15 Ohm |
![]() Data Sheet |
![]()
|
|
||||||||||||
![]() |
![]() CM200C-32.768KAZF-UT |
![]() Citizen |
![]() Crystals 32.768K 30ppm 12.5pF |
![]() Data Sheet |
![]()
|
|
||||||||||||
(China (Mainland))











